1
/
of
2
Dirty Dog Power Wash Supply
General Pump Oil Dip Stick
General Pump Oil Dip Stick
Regular price
$19.99
Regular price
Sale price
$19.99
Unit price
/
per
Couldn't load pickup availability
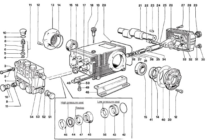
GENERAL PUMP Oil Dip Stick 98210600
Share

SDS Information
Efflo and Calcium SDS